

1.產品概述
蓄能器控制閥組主要安裝在蓄能器和液壓系統之間,由截止閥、安全閥和卸荷閥等組成,用于控制蓄能器通斷,溢流,卸荷等方面,具有結構緊湊性能強、連接靈活易操作等特點。卸荷有手動卸荷或電磁卸荷。
2.功能特點
① 可以對畜能器的安全工作壓力進行設定,或者對液壓系統實施供液和保壓;
?、?用以控制畜能器與液壓系統之間的流道通斷;
?、?當畜能器向系統供液或系統向畜能器充液時,以吸收脈動,補償容量等工況下打開手動球閥,當需要停止工作或以畜能器進行檢修時關閉手動球閥;
?、?必要時可用手動卸荷閥卸荷或電磁卸荷。
3.型號參數
AJ _ ※ _ ※ ※ ※ / ※
?、? ② ③ ④ ⑤ ⑥
① 名稱代號:蓄能器控制閥組
?、?卸荷形式: S—手動卸荷(標準型) D—帶電磁卸荷
③ 公稱通徑:10、20、32mm
?、?安全閥壓力等級:a-6.3MPa b-16MPa
c-25Mpa h-31.5Mpa
?、萁Y構模式:Z—直動式溢流閥
?、扌钅芷鹘宇^螺紋:M27×2、M42×2
M60×2、M72×2
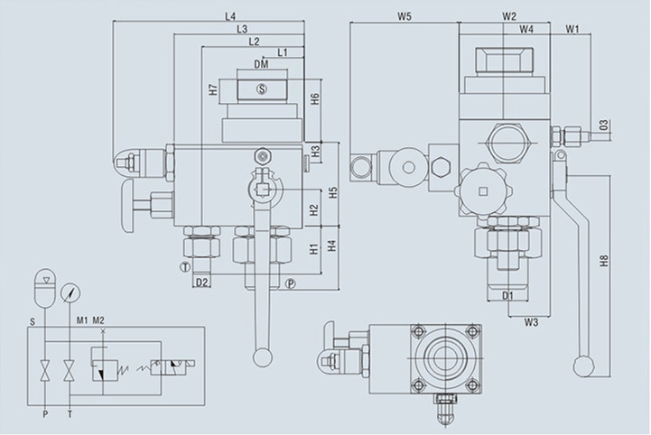
4.結構原理與外形尺寸
蓄能器控制閥組由高壓球芯截止閥、直控式溢流閥及一個小型截止閥等三個主要閥體組成,其中截止閥是手動主開關閥,溢流閥作為安全閥(用以設定最高機械壓力),而截止閥是泄荷閥。三個閥體相互協調,構成液壓系統內蓄能器回路不可或缺的一部分。

5.技術規格
型號 | DN | PN | 基本尺寸 | |||||||||||||||||||
L1 | L2 | L3 | L4 | W1 | W2 | W3 | W4 | H1 | H2 | H3 | H4 | M1 | M2 | |||||||||
AJS-10※Z※ | 10 | 10 20 31.5 | 25 | 68 | 90 | 155 | 42 | 50 | 22.5 | 25 | 40 | 24 |
| 55 | M14×1.5 | |||||||
AJS-20※Z※ | 20 | 45 | 105 | 145 | 210 | 42 | 90 | 40 | 45 | 53 | 32 | 20 | 60 | |||||||||
AJS-32※Z※ | 32 | 50 | 122 | 155 | 225 | 42 | 95 | 42 | 47.5 | 53 | 38 | 20 | 78 | |||||||||
型號 | 基本尺寸 | 重量 | ||||||||||||||||||||
H5 | H6 | H7 | H8 | D1 | D2 | D3 | DM | |||||||||||||||
AJS-10※Z※ | 85 | 31/35 | 16/23 | 130 | 22 | 17 | 10 | M27×2/M42×2 | 4 | |||||||||||||
AJS-20※Z※ | 90 | 63/75 | 23/30 | 170 | 28 | 22 | 10 | M42×2/M60×2 | 13 | |||||||||||||
AJS-32※Z※ | 100 | 75/80 | 30/35 | 210 | 42 | 22 | 10 | M60×2/M72×2 | 15 | |||||||||||||
型號 | DN | PN | 基本尺寸 | |||||||||||||||||||||
L1 | L2 | L3 | L4 | W1 | W2 | W3 | W4 | W5 | H1 | H2 | H3 | M1 | M2 | |||||||||||
AJD-10※Z※ | 10 | 10 20 31.5 | 25 | 69 | 90 | 155 | 42 | 50 | 22.5 | 25 | 113 | 40 | 24 |
| M14×1.5 | |||||||||
AJD-20※Z※ | 20 | 45 | 105 | 145 | 210 | 42 | 90 | 40 | 45 | 113 | 53 | 32 | 20 | |||||||||||
AJD-32※Z※ | 32 | 50 | 122 | 155 | 225 | 42 | 95 | 42 | 47.5 | 113 | 53 | 38 | 20 | |||||||||||
型號 | 基本尺寸 | 重量 | ||||||||||||||||||||||
H4 | H5 | H6 | H7 | H8 | D1 | D2 | D3 | DM | ||||||||||||||||
AJD-10※Z※ | 55 | 85 | 31/35 | 16/23 | 130 | 22 | 17 | 10 | M27×2/M42×2 | 4 | ||||||||||||||
AJD-20※Z※ | 60 | 90 | 63/75 | 23/30 | 170 | 28 | 22 | 10 | M42×2/M60×2 | 13 | ||||||||||||||
AJD-32※Z※ | 78 | 100 | 75/80 | 30/35 | 210 | 42 | 22 | 10 | M60×2/ M72×2 | 15 | ||||||||||||||
公稱壓力:6.30~31.5MPa
適用介質: 礦物油,水-乙二醇和乳化液
介質溫度:-15℃~+65℃
6.訂貨說明
?、?nbsp;訂貨時須寫明型號代號全稱,如:工作壓力為31.5Mpa,通徑為20mm,標準型,蓄能器接口螺紋M42×2的蓄能器控制閥組:AJS-20HZ/M42×2。
?、?nbsp;如對蓄能器控制閥組還有特殊要求時,請向本企業商洽。
?、?nbsp;本企業保留設計更改權,對修改不另行通知。
7×24小時服務熱線 13736056877